专题:巨子生物陷“造假门” 旗下可复美重组胶原含量遭质疑

知名美妆护肤品牌可复美卷入成分争议风波。
5月24日晚间,可复美官方微信号发布关于近期网传“巨子生物可复美产品检测未添加重组胶原蛋白成分”的严正声明,称针对所谓“巨子生物涉嫌严重造假”“重组胶原测不到”等不实指控,予以严正驳斥并坚决否认。并称公司已经收集并固定了相关证据,会尽快启动法律程序,将依法追究造谣者的法律责任。
可复美声明指出,作为重组胶原蛋白领域的国家高科技企业,巨子生物所有产品研发生产全程严格遵循相关法规要求,成分标注均按法定标准执行并通过药监部门审核备案。上市产品均经原料投料核查、生产工序质控、成品质量检测三重验证体系,确保产品质量安全可靠,不存在任何成分造假或隐瞒行为。
近日,微博认证为“前欧莱雅科学传播负责人;香港大学化学博士”的时尚美妆博主@大嘴博士 在社交媒体上发布“巨子生物疑似造假,重组胶原竟然监测不到胶原”的视频,相关话题在上周末冲上热搜,#可复美#等话题阅读量达到1.3亿。
该博主称,经检测,可复美重组胶原蛋白次抛精华液产品中重组胶原蛋白真实添加量仅为0.0177%,但产品成分标注在“非微量成分”里,按规定理论添加量应在0.1%以上,质疑该产品是否符合法规。博主还质疑这款“重组胶原蛋白”产品中核心构成要素甘氨酸缺失等问题。同时,称可复美和可丽金产品中提到的“mini小分子型胶原蛋白”涉及对科学概念的肆意滥用和夸大宣传等。
或受上述消息影响,截至5月26日港股收盘,巨子生物(2367.HK)报73.6港元/股,跌4.04%,今年以来涨47.49%。
检测方法存在分歧,行业标准有待统一制定
巨子生物是近两年生物科技领域的明星公司,成立于2000年,业务覆盖功效性护肤品、医疗器械、功能性食品及特殊医学用途配方食品等领域,旗下最为知名的是可丽金和可复美两大品牌,其中可复美成立于2011年,是巨子生物旗下为皮肤问题提供解决方案的专业护理品牌。2022年,巨子生物在港交所上市,被称为“胶原蛋白第一股”。招股书曾提到,2019年至2021年,巨子生物是中国最大的胶原蛋白专业皮肤护理产品公司。
此次事件争议的焦点主要集中在重组胶原蛋白的检测方法上。
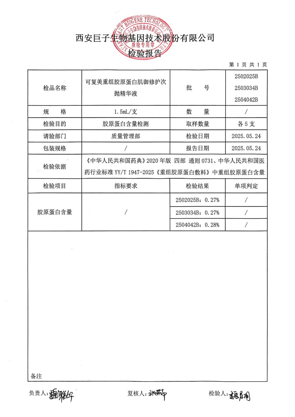
可复美在24日的声明中指出,事件发生的第一时间,公司已参考《中华人民共和国药典》及中华人民共和国医药行业标准YY/T 1947-2025《重组胶原蛋白敷料》中重组胶原蛋白含量的检测方法对相关产品进行检测,多批次检测结果胶原蛋白含量均大于0.1%,与网传的“0.0177%添加量”严重不符。

可复美指出,公司也深知,单一的内部检测结果或许无法完全打消消费者的疑虑,因此公司已经委托多家权威第三方检测机构对该相关产品采用多种检测方法进一步进行检测,而检测需要时间,拿到最新检测报告后会第一时间公布。
可复美还指出,由于化妆品中的重组胶原蛋白含量还没有行业标准及国家标准,此次检测公司参考中华人民共和国医药行业标准YY/T 1947-2025《重组胶原蛋白敷料》中重组胶原蛋白含量的多种检测方法进行检测。而不实指控中使用的检测方法并未列入上述行业标准,因该检测方法以及相对应的样品预处理方法未经严格的方法学验证,检测结果不准确。截至目前,对方尚未向公司索要该重组胶原蛋白原料,公司也尚未对外提供或出售该原料,对方是无法进行其所采用检测方法的方法学验证的。因此,其检测结果不可信。
但前述博主则在可复美发布声明后,于26日凌晨再次发文,称巨子生物在面对重组胶原蛋白检测,特别是在产品复杂配方中存在大量干扰的情况下,选择了一个看似权威但是极可能受到干扰的凯氏定氮法,这不仅在科学上存在巨大争议,更是对消费者的严重误导。
此外,对于未来巨子生物声明中声称要送检的样品,博主在26日凌晨再次提出根本性质疑,称所检测的是巨子的产品,不是原料,产品直接就可以从官方店铺购买,即可进行检测。最后,博主还指出,在巨子生物的声明中,仍有两个核心问题未做任何回应:“为何检测不到胶原蛋白的核心氨基酸,甘氨酸?”“将二肽命名为Mini小分子胶原是否在扭曲科学概念?”
对此,化妆品经营管理专家、美云空间电商创始人白云虎5月26日告诉澎湃新闻记者,目前可复美以及博主双方的舆论还处于“公说公有理、婆说婆有理”的阶段。关键的焦点是核心成分的含量,是否达到产品标注的要求。不过,作为近期行业关注、股价持续走高、创始人话题等不断上热搜的头部企业,在应对此类涉及产品品质、成分效果、用户利益等问题上,应该早有更多合理的“证据”来证明产品品质符合法规要求。
一位拥有近十五年从业经验的医美行业人士向澎湃新闻记者表示,医美和美妆护肤行业都存在宣传过度的共性问题,这一现象长期以来饱受业内人士和消费者诟病。尽管如此,从市场热度来看,人类对美的追求远超对科学严谨性的关注。对于消费者选购产品,建议优先考虑国家认可、具有良好口碑的大牌厂商产品,避免被厂商的营销概念误导。
同时,该医美行业人士指出,当前国内消费医疗市场和美妆市场监管较为严格,消费者无需过度担忧产品安全问题。此次行业内出现的产品争议事件,从长远看对消费者是有益的,能够促使行业更加规范透明,消费者不必因争议而过度焦虑。
在产品检测争议方面,该人士指出,涉事双方采用的检测方法从技术层面讲均无明显问题,不能单纯认为官方检测不准确而盲目相信第三方检测。现实中,也有第三方检测机构存在为盈利而违规操作、随意出具检测证书的现象,消费者和行业从业者对此需保持理性判断 。
可复美营收占巨子业务超八成,重组胶原蛋白的发展前景几何?
2024年财报显示,巨子生物全年营收为55.39亿元,同比增长57.2%;年内净利为20.62亿元,同比增长42.4%。其中可复美品牌营收超45亿元,同比增长62.9%,可丽金品牌营收超8亿元,同比增长36.3%。按此计算,可复美和可丽金两大品牌为巨子生物贡献了95%以上的收入,可复美营收占比超过八成。
虽然营收净利不断攀升,但高销售费用也是行业对巨子生物的一大关注点。财报显示,去年巨子生物的销售及经销开支达到20亿元,同比增长72.5%。同期,研发支出1.07亿元,同比增长42.1%,研发支出占收入比例1.9%。巨子生物解释称,销售开支的增长主要是由于随着在线直销渠道的快速发展,为了更好地支持业务增长和提升品牌影响力,在在线营销方面进行了相应投入。
财报也指出,未来,巨子生物将持续加大研发投入,不断提升重组胶原蛋白、希有人参皂苷等生物活性成分的研发和生产能力;逐步发力医美赛道,推进III类医疗器械产品的研发和临床申报工作;进一步加大主力品牌的破圈范围和推广力度,推出更多具有创新性和竞争力的产品,并积极拓展国际市场。
对于重组胶原蛋白的发展前景,据中信证券研究4月底发布的研报指出,重组胶原蛋白行业在技术、工艺上持续进步,继I型、III型后在XVII型、IV型以及多型别组合方面再现突破;各龙头公司在结构解析、发酵制备、产品化、商业化方面的闭环能力更为成熟。 此外,中国重组胶原蛋白全球化提速,“原料、妆、械”全面出海。不过,研报中也提及风险因素,称技术进步、工艺创新、场景拓展、新品开发、上市销售或不达预期;消费者偏好不断变化,重组胶原蛋白或被其他成分冲击;消费医疗、护肤品等可选消费复苏或不达预期;行业竞争加剧,侵蚀盈利能力;监管政策超预期变化。
涉及医美的品质、功效等话题,已经是“老生常谈”的行业问题。白云虎向澎湃新闻记者指出,一方面,消费用户期望用到更有效果的产品,一方面又担心使用产品的品质和使用效果,这就让一些企业看到了其中的“空间”。但是,从行业来看,各方面都在加强监管力度,这也让很多中小企业面临着“生存压力”,优胜劣汰,将会成为行业的“常态化”状态。